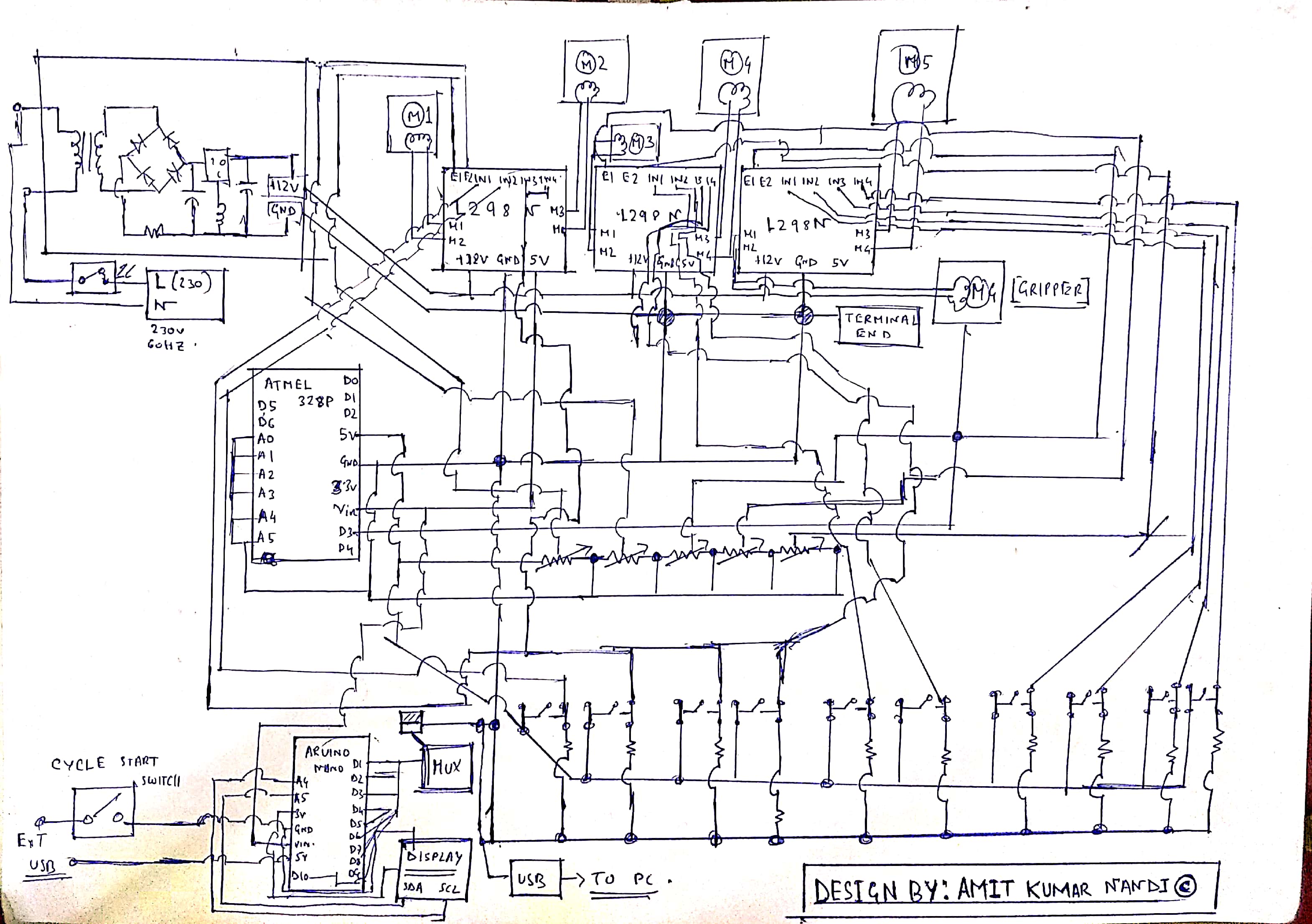
This is a Scorbot ER-V+ robotic arm simulation software and physical controller hardware designed by
Amit Kumar Nandi ©
-
Notifications
You must be signed in to change notification settings - Fork 2
This is a Scorbot ER-V+ robotic arm simulation software and physical controller hardware design.
License
Unknown, GPL-3.0 licenses found
Licenses found
Unknown
LICENSE
GPL-3.0
license-GPLv3
aamitn/Scorbot-ER-V-Simulator-Controller
Folders and files
| Name | Name | Last commit message | Last commit date | |
|---|---|---|---|---|
Repository files navigation
About
This is a Scorbot ER-V+ robotic arm simulation software and physical controller hardware design.
Topics
Resources
License
Unknown, GPL-3.0 licenses found
Licenses found
Unknown
LICENSE
GPL-3.0
license-GPLv3
Stars
Watchers
Forks
Releases
No releases published
Packages 0
No packages published



